产品中心
product center
推荐产品
028-89897136
金牛区好惠多阀门批发部
电话:028-65523405
028-61369456
028-89897136
028-89897536
手机:13281182563
13608082563
18200130098
网址:http://www.001-001.com
公司地址:成都市金府五金机电城四期(国际二期)44栋19-20号
高德导航:好惠多阀门,就可以搜索定位到本公司!
相关产品
产品详情
【HC41X节能消声止回阀】专业生产厂家,天津市著名阀商品牌。天津斯博威阀门有限公司生产的HC41X节能消声止回阀产品质量可靠、价格合理、优质的售后服务。不断完善的质量管理体系及强大的技术开发团队保障HC41X节能消声止回阀产品对工况的适用性、使用寿命长等特点。优质HC41X节能消声止回阀供应商为您提供型号、资料、尺寸。先进的制造设备,近十载HC41X节能消声止回阀专业制造经验,全国大型通用阀门生产企业,为海内外用户提供高质量HC41X节能消声止回阀产品。
产品名称
HC41X节能消声止回阀
产品型号
HC41X
公称通径
DN40-DN600mm
压力范围
1.0-2.5MPa
阀体材质
铸铁、铸钢、不锈钢
HC41X节能消声止回阀概述:
节能消声止回阀适用于给排水管道,阀瓣采用进口两端中心轴导向,启闭灵活,可水平安装或垂直安装。阀瓣采用弹簧加载,其快速关闭能有效的消除水锤,密封性能好,关闭无噪声。它具有体积小、重量轻、流体阻力小,耐疲劳、寿命长等优点。
HC41X节能消声止回阀结构及用途:
1、阀体内腔采用流线型设计,流量按100%设计,减少急弯、拐角、尖凸,从而减少流体的阻力。
2、阀瓣前后设计为锥形,使流体阻力大大减少,又减少了因紊流所产生的噪声。
3、阀瓣关闭的行程短,只有公称通径的1/4,减少了阀瓣的关闭时间,减少了水锤的产生。
4、阀使用弹簧加速阀瓣关闭速度、降低水锤产生。
5、阀瓣为空心薄壳结构,减少阀瓣的惯性,不但使阀瓣关闭时能迅速启动,也减少了关闭时的冲击噪声
6、本产品可以垂直、水平、倾斜以及任何角度安装。
7、本产品结构紧凑、零件少、体积少、重量轻、外型美观。
8、内外表面均喷涂环保涂层,确保产品的防腐蚀及安全性。
HC41X节能消声止回阀主要技术参数:
公称压力:1.0~1.6MPa
公称通经:40~600mm
适用介质:水及弱腐蚀性流体
适用温度:0~80℃
法兰标准:GB/T 17241.6 GB/T 9113
试验标准:GB/T 13927 AP 1598
|
型号 |
公称压力 |
试验压力PS(MPa) |
工作温度 |
适用介质 |
|
|
壳体 |
密封 |
||||
|
H41X |
1.0 |
1.5 |
1.1 |
≤80 |
水及弱腐蚀性流体 |
|
1.6 |
2.4 |
1.76 |
|||
|
2.5 |
3.75 |
2.75 |
|||
HC41X节能消声止回阀主要零部件材料:
|
型号 |
阀体 |
密封圈 |
弹簧 |
|
H41X-10 |
铸铁或不锈钢 |
丁腈橡胶(NBR) |
不锈钢ICr18Ni9Ti |
|
H41X-16 |
铸钢或不锈钢 |
丁腈橡胶(NBR) |
不锈钢ICr18Ni9Ti |
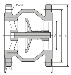
HC41X节能消声止回阀结构图及主要外形连接尺寸单位:
|
公称压力 PN(mm) |
公称通径 DN(mm) |
尺寸(mm) |
||||
|
L |
D |
K |
b |
z-φd |
||
|
1.0 |
40 |
112 |
145 |
110 |
18 |
4-18 |
|
50 |
120 |
160 |
125 |
20 |
4-18 |
|
|
65 |
130 |
180 |
145 |
20 |
4-18 |
|
|
80 |
150 |
195 |
160 |
22 |
8-18 |
|
|
100 |
165 |
215 |
180 |
24 |
8-18 |
|
|
125 |
190 |
245 |
210 |
26 |
8-18 |
|
|
150 |
210 |
280 |
240 |
26 |
8-22 |
|
|
200 |
255 |
335 |
295 |
28 |
8-22 |
|
|
250 |
310 |
390 |
350 |
28 |
12-22 |
|
|
300 |
320 |
440 |
400 |
28 |
12-22 |
|
|
350 |
380 |
500 |
460 |
30 |
16-22 |
|
|
400 |
405 |
565 |
515 |
32 |
16-26 |
|
|
450 |
430 |
615 |
565 |
32 |
20-26 |
|
|
500 |
450 |
670 |
620 |
34 |
20-26 |
|
|
600 |
510 |
780 |
725 |
36 |
20-30 |
|
|
1.6 |
40 |
112 |
145 |
110 |
18 |
4-18 |
|
50 |
120 |
160 |
125 |
20 |
4-18 |
|
|
65 |
130 |
180 |
145 |
20 |
4-18 |
|
|
80 |
150 |
195 |
160 |
22 |
8-18 |
|
|
100 |
165 |
215 |
180 |
24 |
8-18 |
|
|
125 |
190 |
245 |
210 |
26 |
8-18 |
|
|
150 |
210 |
280 |
240 |
26 |
8-22 |
|
|
200 |
255 |
335 |
295 |
30 |
12-22 |
|
|
250 |
310 |
405 |
355 |
32 |
12-26 |
|
|
300 |
320 |
460 |
410 |
32 |
12-26 |
|
|
350 |
380 |
520 |
470 |
36 |
16-26 |
|
|
400 |
405 |
580 |
525 |
38 |
16-30 |
|
|
450 |
430 |
640 |
585 |
40 |
20-30 |
|
|
500 |
450 |
715 |
650 |
42 |
20-33 |
|
|
600 |
510 |
840 |
770 |
48 |
20-36 |
|
HC41X节能消声止回阀产品承诺:
天津斯博威阀门一贯奉行诚信为企业的灵魂。本着提供高品质产品,竭诚为用户服务的宗旨的经营原则,公司以满足顾客需要为宗旨,愿意通过自己的努力共同促进双方的合作,为顾客提供优质的产品和优良的服务,天津斯博威阀门实行公开服务承诺。
1.天津斯博威所提供的产品从供货之日起,在正常使用情况下,质保期为12-24个月,在质保期内,一律实行:保质、保量、包修、包换等。同时还提供终身免费质询服务。
2.用户在运输、装卸、储存、擅自拆卸产品或养护不当、自然灾害等原因造成产品损坏、使用不当或在保修期外,本公司对产品实行终身技术服务,只收取配件的成本费。
3.用户如发现产品质量问题或服务抱怨,天津斯博威收到用户函电后,根据路程的远近距离,本市城区2小时到达现场,外区域遇重大问题保证在 24小时赶到现场并及时给予答复解决,确保用户达到满意。
4.公司承诺质保期满后以最合理优惠价格快速地提供保养服务,并应买方要求派技术人员赴买方现场进行技术服务。
5.公司货源充足,品种齐全,配件丰富,应急预案和措施严密,可以及时解决用户临时性的紧急需求。
6.产品使用过程中,用户对产品质量、使用性能、改进意见或其他建设性建议等方面的反馈,斯博威会积极采纳并改进,以便进一步提高产品质量,更好地回报用户。
HC41X节能消声止回阀订货说明:
1.产品选型:如有指定型号标准,请直播销售热线咨询价格,了解详情!
2.技术支持:如没有指定产品型号规格,请把工况要求、设计图纸、技术规范,发送传真或邮件至本公司。
3.参数说明:请提供通径(DN),公称压力(Mpa),温度(℃),连接方式(螺纹、法兰、对夹等),驱动方式。
4.驱动方式:手动、蜗轮、气动、电动等。
5.产品标准:国标GB、日标JIS、美标ANSI、德标DIN等。
6.报价确认:本公司提供报价清单及技术标准说明至客户确认,在双方技术各方面确认后再拟定合同。
7.质量标准:质量要求、质量标准、供方对质量负责的条件按国家有关质量标准。
联系方式:
电话:028-89897936 028-89897136
13699020128(阳经理) 13281182563(洪经理)
QQ:3141698660
蜀ICP备16006282号 Copyright © 2014 金牛好惠多阀门批发经营部版权所有